联系我们
欢迎来到菊儿人家!
关于菊儿人家
网站首页
关于菊儿
产品展示
喷灌产品
滴灌带及配件
滴灌管及配件
灌溉过滤器
水力阀控
灌溉施肥设备
鞍座快接
微滴灌产品
园林雨鸟
喷头喷嘴
电池阀
控制器
中央控制系统
设计服务
农业水肥设计
园林灌溉设计
案例实景
项目展示
苗圃喷灌
雾森造景
高压打药
泵房首部
新闻动态
企业新闻
行业新闻
技术资料
常见问题
联系我们
农业水肥设计
园林灌溉设计
设计服务
网站首页
≡
设计服务
≡
农业水肥设计
≡
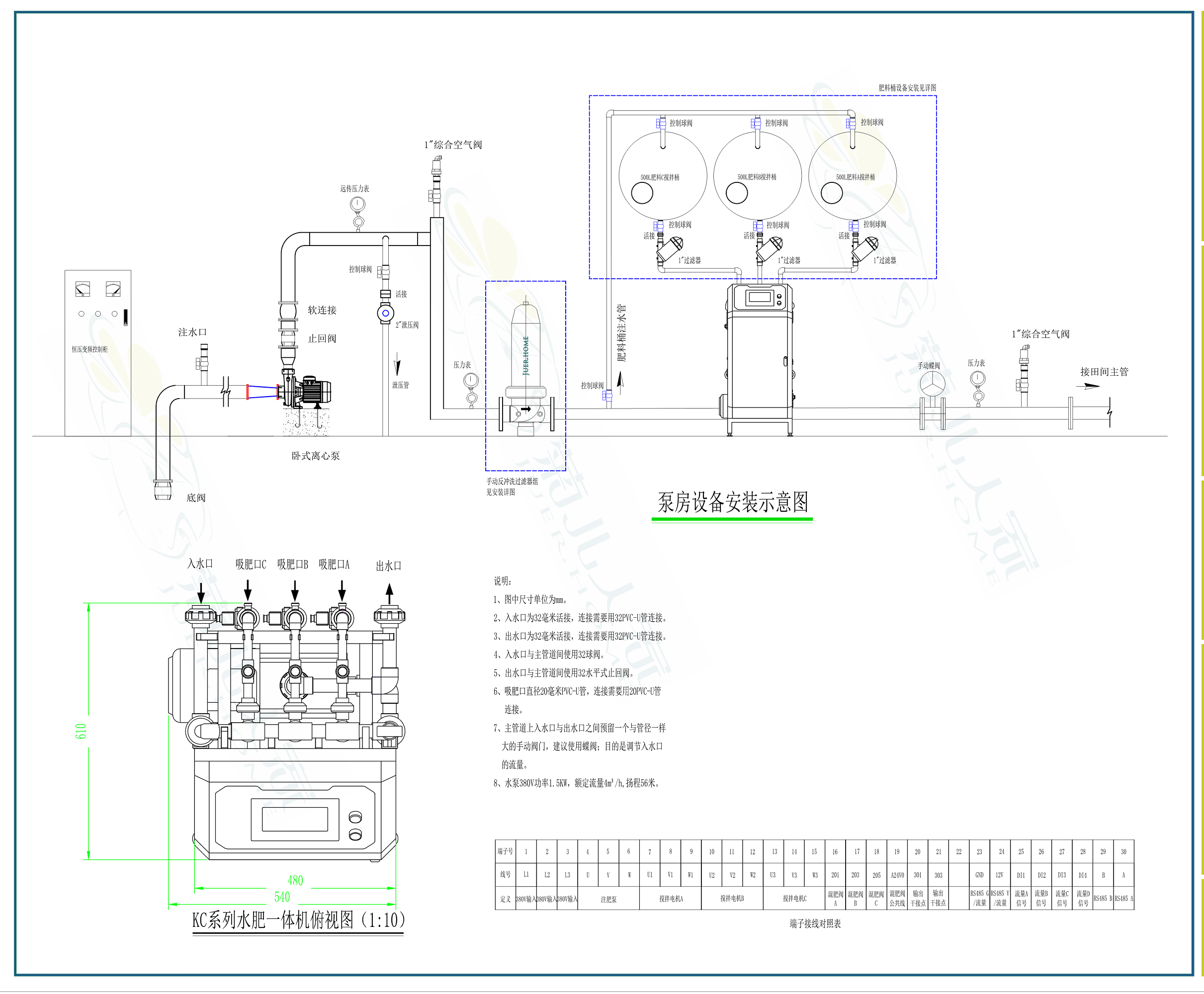
泵站水肥一体设计
当前位置:
泵站水肥一体设计
发布时间: 2020-11-05 11:36
商品信息
上一个:
注肥桶设计安装
下一个:
过滤器管路设计
推荐产品
产品名称
喷灌产品
¥0.00
¥0.00
美国托罗水鸟微
微滴灌产品
¥0.00
¥0.00
滴灌带管件直接
喷灌产品
¥0.00
¥0.00
PE承插管件直
喷灌产品
¥0.00
¥0.00
联系我们
电话:19182027869
028-67157615
邮箱:juerhome1102@163.com
地址:成都市车城西二路288
号
派瑞
国际3-611/612